Manuals & Specifications

We Are Here to Help

At Electromaax we prioritize simplicity in electrical and mechanical installations. That being said, carefully read and review the technical data relevant to your specific installation. Below are detailed instruction manuals that cover safety considerations, installation, troubleshooting instructions, and specifications and fitting diagrams to aid you. If you require assistant, contact us directly for assistance.

E-MAAX Charge Controller & Monitoring System

E-MAAX PRO X Smart Charge Controller

Pro X USI for Version 6

Pro X USI for Version 7

If you have an Older Version please contact us at support@electromaax.com

*** If your browser will not download the Exe nor the Zip file then please try Chrome in Incognito mode.

Serpentine Pulley Kit Documents

Detailed instructions on how to install our serpentine pulley kit on your engine.

Detailed instructions on installing our 160 Amp Alternator with our Yanmar 4JH3E - 4JH3TE - 4JH3HTE pulley kits.

Idler Pulley Assembly Instructions

Old Product Manuals

E-MAAX CSR Smart Charge Controller

E-MAAX PRO-N Smart Charge Controller

E-MAAX PRO Smart Charge Controller

PRO - USI E-MAAX Legacy Regulators Client Software(CSR/PLUS/PRO)

USI E-MAAX Legacy Regulators Manufacturer Software (CSR/PLUS/PRO)

E-MAAX PLUS Smart Charge Controller

E-MAAX Peripherals

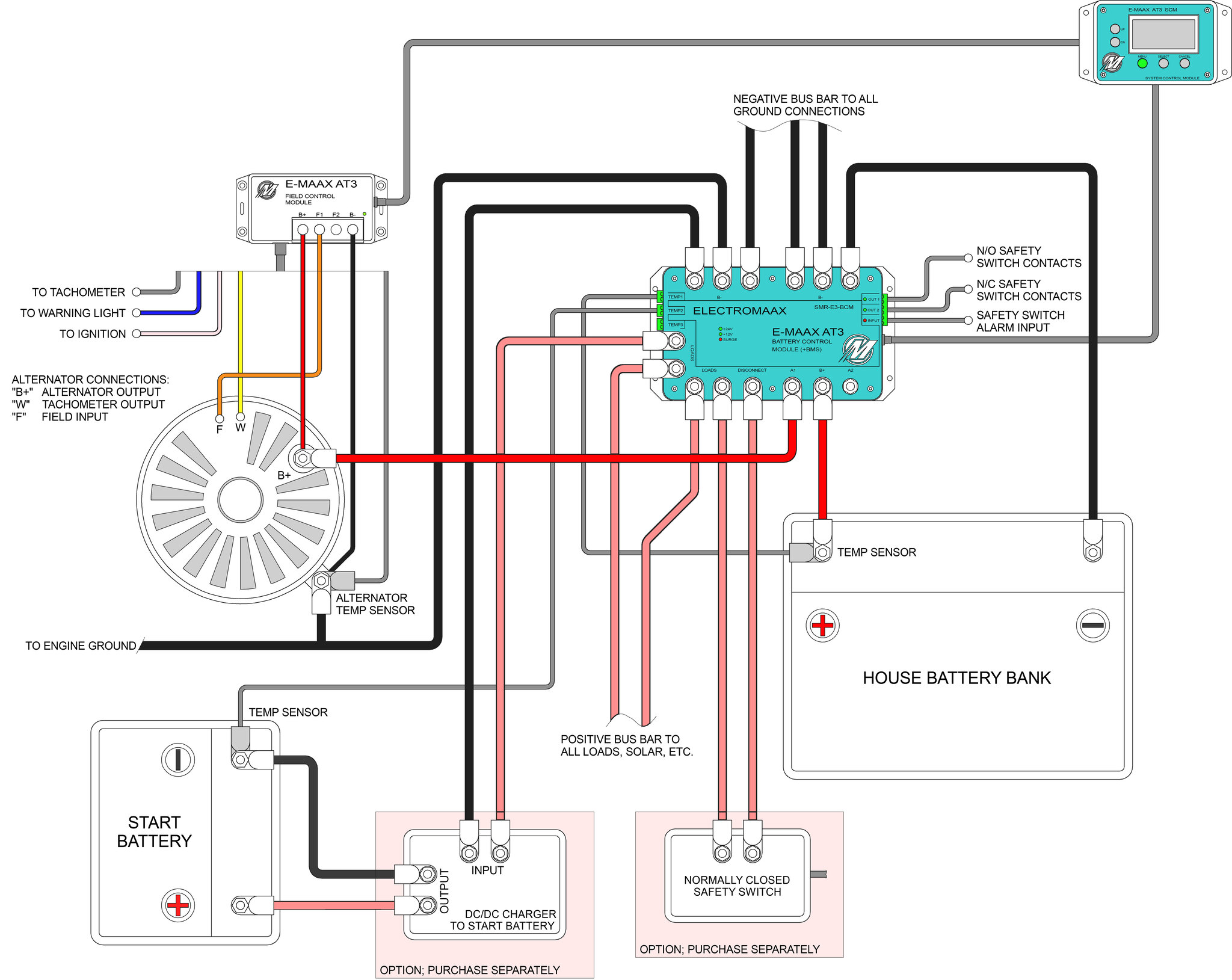
E-MAAX AT3 Charge Controller, BMS & Monitoring System

E-MAAX AT3 Smart Charge Controller

E-MAAX AT3 Wiring Diagrams / Schematics

E-MAAX AT3 USI (User System Interface)

*** If your browser will not download the Exe nor the Zip file then please try Internet Explorer or Chrome in Incognito mode.

Advanced Technology Batteries

ECAB-Utility (Software for G31 128AH LiFePO4 battery)

*** If your browser will not download the Exe nor the Zip file then please try Internet Explorer or Chrome in Incognito mode.

Marine Accessories

ChainMate Chain Counter

Yanmar Manuals & Instructions

Yanmar Tensioning Arm Manual

Yanmar 6LP Series Alternator Kit Instructions

Yanmar Second Alternator Kit Instructions

If the information you’re looking for is not here, simply call us at 1-866-945-8801 or use our contact form.